鉄構業界のトレンド

突合わせ継手の食違い(柱溶接継手)

1.告示の食違い許容値

突合せ継手の食違い許容値は、建設省告示第1464号において、次のように定められている。

図:食違い許容値

ただし、継手部の鉄鋼の長期に生ずる力及び短期に対する許容値応力度に基づき求めた当該部分の耐久以上の耐力を有するように適切な補強を行った場合においては、この限りではない。

2.食違いの検査方法(柱溶接継手偏)

2 - 1 適用方法

本方法は、柱継手の食違いの検査方法について、設計図書に規定されていない場合に適用する。

2 - 2 食違いの検査手順

  • (1)一次審査
    一次審査は、目視又は許容値を外れているか否かが簡単にわかるチェックゲージによって、合格と判断されるものと基準を逸脱していると思われる物を識別し、基準を逸脱していると思われる物については、その箇所をマーキングする。
  • (2)二次審査
    一次審査によってマーキングされた箇所について、測定ゲージで食違い量を計測する。
    図:検査手順

2 - 3 補強の要・不要判定基準

3ヶ所の食違い量を(A)式に代入し、求められた値から表.1により補強の要否を判定する。
1つの板要素における食い違いの最大値emax 及び他の値e1、e2 (最大値と反対側に食い違っている場合はその絶対値)より、食違い量em を求め、em と許容食違い量との比較を行う物とする。 [ 2 × | emax | + | e1 | + | e2 | ] ÷ 4 = em -(A)
許容値 補強の要否
t ≦ 15mm の時
em ≦ 1.5mm
補強不要
t > 15mm の時
em ≦ t/10mm
かつ
em ≦ 3.0mm
上記値を超える場合 要補強
  • (1)H型鋼柱フランジ-H型鋼柱フランジ(各フランジ毎に)
    溶接組立箱形断面柱-溶接組立箱形断面柱(各面毎に)
    角形鋼管柱-角形鋼管柱
    コラム角部の食違いについては、各部中央の食違い計測値を食違い量em とする。
  • (2)円形鋼管柱-円形鋼管柱
    計測された12点の測定値のうち、許容値を超えている点(i)について、両隣の測定点(i+1)、(i-1)との合計3点の食い違い量について判定する。

3.補強方法

食違いが発生した場合の補強は、補強肉盛溶接により行う。補強肉盛溶接は、超音波深傷検査後に行うものとする。

4.食違いの補強溶接施工方法

4 - 1 補強の肉盛溶接施工方法

  • (1)溶接方法・溶接材料・溶接事項
    本溶接と同一を原則とする。
  • (2)溶接補助剤
    補強のための肉盛溶接の初パス溶接容易にするために、溶接補助剤を利用してよい物とする。
  • (3)予熱
    予熱は本溶接の条件と同一を原則とする。

4 - 2 施工上の留意事項

  • (1)溶接のスタート及びエンド
    溶接のスタートは、ステップバック法によりスタート部の痕跡を母材上に残さないように処理する。
     エンドは、本溶接で行ってる方法と同様にクレーター処理を確実に行い、収縮孔を母材上に残さないように処理する。
  • (2)運行棒
     運行はビードの垂れ下がりを避けるため、スレートビードを原則とする。
  • (3)パス間温度
    食違いが大きく肉盛溶接量が多い場合、連続的に溶接を進めると、溶接部の温度が高くなってビードが垂れ下がり傾向になるので、パス間の時間を適宜長く取るなど垂れ下がりの防止に留意する。
  • (4)積層法
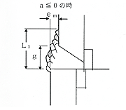
    • 図:下柱が外側に出ていて、a≦0の場合1. 下柱が外側に出ていて、a≦0 の場合
      必要肉盛高さa が0より小さい場合は、溶接は本溶接のビード上から逐次情報に向かって所定の範囲まで積層を進める。(図)
    • 図:下柱が外側に出ていて、a>0の場合2. 下柱が外側に出ていて、a>0 の場合
      a が0より大きい場合は下柱の所定の補強範囲の最下点位置からスタートするが、垂れ下がりを防止するために、溶接補助剤を用いてもよい。(図)
      ただし、溶接補助剤に平鋼を用いる場合は、そのまま本体に残しても良いことにするが、取り付けのための溶接は肉盛溶接側に行い、柱表面に残存させてはならない物とする。
      固形のフラックスバーを用いる場合は、除去後にビードの不整形仕上げを行うものとする。
    • 図:上柱が外側に出ている場合3. 上柱が外側に出ている場合
      肉盛溶接は、下柱の所定の補強範囲の最下点位置からスタートするが、垂れ下がりを防止するために、溶接補助剤を用いても良い。(図)
      ただし、溶接補助剤に平鋼を用いる場合は、そのまま本体に残しても良いことにするが、取り付けのための溶接は肉盛溶接側に行い、柱表面に残存させてはならないものとする。
      固形のフラックスバーを用いる場合は、除去後にビードの不整形仕上げを行うものとする。

5.食違い防止を考慮した施工方法

《1》冷間及び熱間成形角材鋼管を用いた通しダイヤフラム形式の柱

下柱の頂部と上柱の下部は、同一のコラムから合取りすることが望ましい。
同一のコラムであっても、下柱の頂部と上柱の下部は長さが異なるため、残留歪の解放量が異なることもあるので、必ずしも整合するとは限らないが、別ロットの組み合わせよりは、ベターであるといえる。

《2》溶接組立箱形断面柱

溶接組立箱形断面柱の場合は、他のタイプの柱と異なり、自社で柱断面寸法の精度管理をコントロールすることが出来る。
したがって、先に述べたとおり、上柱を出張らせないように、下柱の頂部の断面寸法を1〜2mmプラス管理で製作するのが良いと言える。

アンダーカット

アンダーカットの補修方法

この方法は、強弩が490N/mm2級以下の鋼材からなる柱-柱継手のアンダーカットの補修に適用する。 建設省告示1464号の規定値を越えるアンダーカットの補修方法については、当事者自らにおいて協議して決定する場合を除いて、次の補修方法による。

建設省告示第1464号:

0.3mmを越えるアンダーカットは、存在してはならない。ただし、アンダーカット部分の長さの総和が溶接部分全体の長さの10%以下であり、かつ、その断面が鋭角的でない場合にあっては、アンダーカットの深さを1mm以下とすることが出来る。
  • 補修方法(1):アンダーカット部をグラインダーにより除去し、なめらかに仕上げる方法
    この方法はアンダーカット部の深さが0.05tかつ1mm以下の場合に適用する。
  • 補修方法(2):溶接による方法
    この方法はアンダーカットの深さが0.05t若しくは1mmを越える場合に適応する。
    この場合の溶接加工方法は以下による。
    • 1.溶接材料: CO2半自動溶接法による場合は、YGW11とする。
      被覆アース溶接法による場合は、D4316又はD5016とする。
      ただし、CO2半自動溶接法で補修する場合、本溶接でYGW18を使用したものであっても、YGW11を使用することにした。
    • 2.溶接施工: アンダーカットは、アークガウジングによって除去する。除去した後、補修溶接は2パス以上で行う。
      アークガウジング及び補修溶接の長さはアンダーカットの長さに左右各10mm以上加えた長さで、かつ50mm以上とする。